Dekooderit

MärklinWikistä
Siirry navigaatioon Siirry hakuun

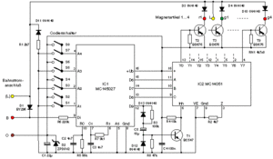
Omatekoinen vaihdedekooderi

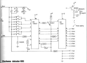
74460-K73-schema.pdf

Linkkejä (jokunen lisää Raspberry Pi-sivun puolella)

Encoder/decoder

  • fosc: 38480 Hz
  • RTC: 10K
  • CTC': 1n13
  • CTC: 1n15
  • RTCCTC: 1,15·10-5
  • R1: 12K
  • C1: 3n8
  • R2: 270K
  • C2: 3n3

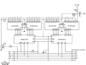
Ensimmäinen prototyyppi

K83

Oma dekooderi kunkin M-vaihteen sisään:

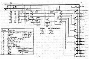
S88

S88 ḱytkentäkaavio



Moottorien muunnossarjat

609x1
DCM-moottoreille
609x2
Pelkkä dekooderi
609x3
SFCM-moottoreille
609x4
LFCM-moottoreille
Digital
Märklin 60901

Digital locomotive with high-efficiency propulsion.

Tuotetiedot
Consists of locomotive decoder and high-efficiency motor as well as installation hardware for converting most Märklin H0 locomotives with drum commutator motors to the current high-efficiency propulsion system. The electronic circuit has a total of 4 controllable functions. The "function" output is intended for the locomotive's headlights. The "f1" and "f2" outputs can be used for other functions such as Telex couplers or a smoke unit. The "f4" function allows you to turn the controlled motor functions off for easier switching of cars. The "f1", "f2" and "f4" functions can be controlled only with the Control Unit (6021), a Control 80 f locomotive controller connected to this central unit, or the Interface. The electronic circuit in this set allows you to adjust maximum speed as well as acceleration and braking delay. Controlled motor functions under different load conditions such as on ascending and descending grades. Can be coded for 80 different locomotive addresses. The "function" and "f1" functions are turned on when the locomotive is operated conventionally with AC power. Decoder dimensions 36 x 21 x 9 mm / 1-3/8" x 13/16" x 3/8".
Märklin 60902

Digital locomotive with high-efficiency propulsion.

Tuotetiedot
High-efficiency decoder for converting Märklin H0 locomotives with built-in 6090 high-efficiency propulsion to the new version with more functions. The electronic circuit has a total of 4 controllable functions. The "function" output is intended for the locomotive's headlights. The "f1" and "f2" outputs can be used for other functions such as Telex couplers or a smoke unit. The "f4" function allows you to turn the controlled motor functions off for easier switching of cars. The "f1", "f2" and "f4" functions can be controlled only with the Control Unit (6021), a Control 80 f locomotive controller connected to this central unit, or the Interface. This electronic circuit allows you to adjust maximum speed as well as acceleration and braking delay. Controlled motor functions under different load conditions such as on ascending and descending grades. Can be coded for 80 different locomotive addresses. The "function" and "f1" functions are turned on when the locomotive is operated conventionally with AC power. Decoder dimensions 36 x 21 x 9 mm / 1-3/8" x 13/16" x 3/8".
Märklin 60903

New item for year 2003. Digital locomotive with high-efficiency propulsion.

Tuotetiedot
This kit consists of a locomotive decoder, a powerful 5-pole motor, and hardware for converting specific older Märklin H0 locomotives with the smaller size flat commutator motor to digital high-efficiency propulsion. The electronic circuit has 4 controllable functions (headlights from the "function" button, smoke generator and Telex couplers, for example, from "f1" and "f2", minimal setting for the acceleration and braking delay from "f4"). The Control Unit (item no. 6021) must be used as the central unit to control functions "f1", "f2", and "f4". The decoder in this kit has adjustable maximum speed, adjustable acceleration and braking delay. 80 digital addresses can be set. The functions "function" and "f1" are turned on in conventional operation with AC power. Information about the 60904 and 60903 Products: We differentiate roughly 2 different types of motors among the universal current motors used with Märklin H0: The newer drum-style commutator motor and the flat commutator motor that used to be the standard motor. The easiest way to tell the two types of motors apart is by the type of brushes they use. Drum-style commutator motors have 2 carbon brushes, while the flat commutator motor has a carbon brush and a copper mesh brush (spare part number 600300). The familiar 60901 conversion kit can be used for drum-style motors. With the flat commutator motor there are a number of variations due to different armature diameters and brush plates. The 60904 or 60903 conversion kit can therefore only be used for certain models.
Märklin 60904

Digital locomotive with high-efficiency propulsion.

Tuotetiedot
Features: Consists of a locomotive decoder, a five-pole, high-efficiency motor and installation hardware for converting certain older Märklin H0 locomotives with the flat commutator motor to digital high-efficiency propulsion. The electronic circuit in this kit has 4 controllable functions (headlights from "function", smoke generator and Telex couplers, for example, from "f1" and "f2", minimal setting for the acceleration and braking delay from "f4"). The Control Unit (no. 6021) must be used as the central unit to control functions "f1", "f2" and "f4". Adjustable maximum speed. Adjustable acceleration and braking delay. 80 digital addresses can be set. In conventional operation with AC power the functions "function" and "f1" are turned on. Information about the 60904 and 60903 Products: We differentiate roughtly 2 different types of motors among the univeral current motors used with Märklin H0: The newer drum-style commutator motor and the flat commutatior motor that used to be the standard moitor. The easiest way to tell the two types of motors apart is by the type of brushes they use. Drum-style commutator motors have 2 carbon brushes, while th flat commutator motor has a carbon brush and a copper mesh brush (spare part number 600300). The familiar 60901 conversion kit can be used for drum-style motors. With the flat commutator motor there are a number of variations due to different aramture diameters and brush plates. The 60904 or 60903 conversion kit can therefore only be used for certain models.
Digital
Märklin 60760

Digital locomotive with high-efficiency propulsion.

Tuotetiedot
Features: This is a set for installation in a locomotive and comes with a controlled digital decoder and a powerful motor (conversion kit). It will fit into most Märklin H0 locomotives with drum-style commutator motors. The decoder has 80 programmable addresses, automatic switching between the modes of operation, a load compensation feature, and a digitally controlled connection for headlights / marker lights that change over with the direction of travel. The acceleration and braking delay can be controlled with a 6021 Control Unit or with Märklin Digital. The motor has a 5-pole armature, a powerful permanent magnet field, and a pre-installed bearing plate. Installation hardware is included. Decoder dimensions 25 x 17 x 6 mm / 1" x 11/16" x 1/4".
Important Note! The manufacturer's warranty can only be covered, when this high-efficiency propulsion set has been installed by an authorized dealer. The warranty provisions are invalid if non-original Märklin components are used or if other makes of products not authorized by Märklin are used.
mfx
Märklin 60921

New item for year 2005. Digital decoder with up to 16 digitally controllable functions.

Tuotetiedot
For upgrading many Märklin H0 locomotives with drum commutator motors to the current high-efficiency propulsion with a feedback feature. This kit consists of an mfx locomotive decoder, a powerful motor, and installation hardware.
Märklin 60922

New item for year 2005. Digital decoder with up to 16 digitally controllable functions.

Tuotetiedot
For upgrading Märklin H0 locomotives with built-in high-efficiency propulsion 6090, 60901, 60903, 60904, to the new version with acknowledgement. The existing high-efficiency motor is retained, the locomotive decoder is replaced.
Märklin 60923

New item for year 2005. Digital decoder with up to 16 digitally controllable functions.

Tuotetiedot
For upgrading many Märklin H0 locomotives with smaller design flat commutator motors to the current high-efficiency propulsion with a feedback feature. This kit consists of an mfx locomotive decoder, a powerful motor, and installation hardware.
Märklin 60924

New item for year 2005. Digital decoder with up to 16 digitally controllable functions.

Tuotetiedot
For upgrading many Märklin H0 locomotives with larger design flat commutator motors to the current high-efficiency propulsion with a feedback feature. This kit consists of an mfx decoder, a powerful motor in various designs, and installation hardware.
mfx
Märklin 60941

New item for year 2011. Digital locomotive with high-efficiency propulsion. ATTENTION: adults only

Tuotetiedot
This set is for converting most Märklin H0 locomotives with drum-style commutator motors to the five-pole, high-efficiency motor. The set consists of a high-efficiency motor and installation hardware.
Märklin 60942

New item for year 2011. ATTENTION: adults only

Tuotetiedot
This decoder is for converting Märklin/Trix H0 locomotives with built-in high-efficiency motors or other DC motors. The märklin mLD LocomotiveDecoder has a 21-pin connector and an accompanying connector circuit board for converting analog and digital locomotives. The märklin mLD LocomotiveDecoder supports the digital formats mfx, MM1, MM2, and DCC.
Märklin 60943

New item for year 2011. Digital locomotive with high-efficiency propulsion. ATTENTION: adults only

Tuotetiedot
This set is for converting many Märklin H0 locomotives with smaller design flat-style commutator motors to the five-pole, high-efficiency motor. The set consists of a high-efficiency motor and installation hardware.
Märklin 60944

New item for year 2011. Digital locomotive with high-efficiency propulsion. ATTENTION: adults only

Tuotetiedot
This set is for converting many Märklin H0 locomotives with larger design flat-style commutator motors to the five-pole, high-efficiency motor. The set consists of a high-efficiency motor in different designs and installation hardware.

Dokumentit

Käyttöohje (60903)
Käyttöohje (60921 / 60922 / 60923 / 60924)
Yleiskuva uusista dekoodereista
Käyttöohje (60941 / 60943)
Käyttöohje (60942 / 60962)
Käyttöohje (60944)
Tietoa muunnossarjoista ja dekoodereista
Käyttöohje (60760)

Protokollat