Tällä sivulla on Märklin luetteloita, esitteitä, opaslehtisiä, käyttöohjeita ja hinnastoja.
Luettelot
Luettelot ja hinnastot siirretty sivulle tuoteluettelot.
Käyttöohjeet
Veturit ja vaunut
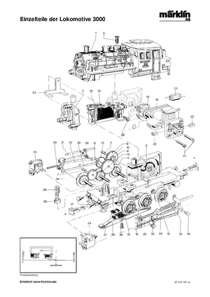
3000 / DR 89 DE / EN / FR / ES / IT / SV / DA / NL Märklin 3000 |
 |
|
3005 / BR 23 DE / EN / FR / ES / IT / SV / DA / NL Märklin 3005 |
 |
|
3060 / EMD F7 DE / EN / FR / ES / IT / SV / DA / NL Märklin 3060 |
 |
|
3065 / V 60 DE / EN / FR / ES / IT / SV / DA / NL Märklin 3065 |
 |
|
29180 / DHG 700 DE / EN / FR / NL / ES / IT Märklin 29180 |
 |
|
36880 / DHG 700 DE / EN / FR / NL / ES / IT / SV / DA Märklin 36880 |
 |
|
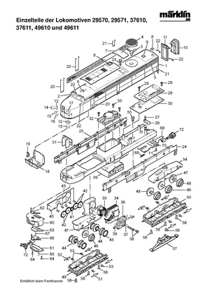
37610 / ALCO PA-1 DE / EN / FR / NL / ES / IT / SV / DA Märklin 37610 |
 |
|
39180 / BR 218 DE / EN / FR / NL / ES / IT / SV / DA Märklin 39180 |
 |
|
4920 DE / EN / FR / ES / IT / SV / DA / NL Märklin 4920 |
 |
|
7001 Coupling Gauge DE / EN / FR / ES / IT / SV / DA / NL Märklin 7001 |
 |
|
7075 Current Pickup Shoe DE / EN / FR / ES / IT / SV / DA / NL Märklin 7075 |
 |
|
Suunnanvaihtoreleen säätö DE / EN / FR / ES / IT / SV / DA / NL |
 |
|
M-kiskot
5112 Uncoupling Track DE / EN / FR / ES / IT / SV / DA / NL Märklin 5112 |
 |
|
5117/5202 DE / EN / FR / ES / IT / SV / DA / NL Märklin 5117, 5202 |
 |
|
5146, 5147, and 5213 Contact Track Sections DE / EN / FR / ES / IT / SV / DA / NL Märklin 5146, 5147, 5213 |
 |
|
Scale-model Bridge Building DE / EN / FR / ES / IT / SV / DA / NL Märklin 7163, 7167 |
 |
|
Gleisplanspiel / Track planning game DE / EN / FR / NL / ES / IT / SV / DA Märklin 0230 |
 |
|
M 7292, K 759, M7293, K 9593 Manual DE / EN / FR / ES / IT / SV / DA / NL |
 |
|
C-kiskot
24611/24612/24624 Turnouts DE / EN / FR / NL / ES / IT / SV / DA Märklin 24611, 24612, 24624 |
 |
|
74040 C Track Feeder Wire Set DE / EN / FR / NL / ES / IT / SV / DA Märklin 74040 |
 |
|
74460 Digital Decoder DE / EN / FR / NL / ES / IT / SV / DA Märklin 74460 |
 |
|
74490 Electric Turnout Mechanism DE / EN / FR / NL / ES / IT / SV / DA Märklin 74490 |
 |
|
74490 Turnout Resistor Installation DE / EN / FR / NL / ES / IT / SV / DA Märklin 74490 |
 |
|
Opastimet
| {{{nimi}}} |
 |
|
| {{{nimi}}} |
 |
|
72441 Signal Module Manual DE / EN / FR / NL Märklin 72441 |
 |
|
Potential Use for the 72441 Signal Module DE / EN / FR / NL Märklin 72441 |
 |
|
Digitaaliohjaus
| {{{nimi}}} |
 |
|
| {{{nimi}}} |
 |
|
| {{{nimi}}} |
 |
|
| {{{nimi}}} |
 |
|
| {{{nimi}}} |
 |
|
6021 Control Unit Manual DE / EN / FR / NL Märklin 6021 |
 |
|
Update Central Station 60212 EN Märklin 60212 |
 |
|
Muut
1071 Electric Motor DE / EN / FR / ES / IT / SV / DA / NL Märklin 1071 |
 |
|
ESU
ESU 21MTC Adapterplatine DE ESU 51967 |
 |
|
ESU 21MTC Adapterplatine 2 DE ESU 51968 |
 |
|
ESU LokPilot mfx Einbau - und Betriebsanleitung DE ESU 61600 |
 |
|
ESU LokPilot mfx Einbau - und Betriebsanleitung DE ESU 61600 |
 |
|
Viessmann
Viessman Ignition Module for Gas Lanterns Manual DE / EN Viessmann 5066 |
 |
|
Viessmann Digital Switching Decoder Operating Instructions DE / EN Viessmann 5123 |
 |
|
Viessmann Digital Braking Module Manual DE / EN / FR Viessmann 5232 |
 |
|
Viessmann Switching Decoder Assembling Instructions DE / EN Viessmann 5293 |
 |
|
Räjäytyskuvat
| {{{nimi}}} |
 |
|
| {{{nimi}}} |
 |
|
| {{{nimi}}} |
 |
|
| {{{nimi}}} |
 |
|
Schienenbus 3016 mit Beiwagen 4018 DE 3016 |
 |
|
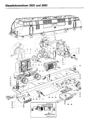
Diesellokomotiven 3021 und 3081 DE 3021 |
 |
|
| {{{nimi}}} |
 |
|
| {{{nimi}}} |
 |
|
| {{{nimi}}} |
 |
|
| {{{nimi}}} |
 |
|
| {{{nimi}}} |
 |
|
| {{{nimi}}} |
 |
|
| {{{nimi}}} |
 |
|
| {{{nimi}}} |
 |
|
Oppaat
Die elektrische Miniatur-Eisenbahn Spur 00 DE Märklin 753 |
 |
|
The Märklin Miniature Railway And Its Big Prototype EN Märklin 753/2 |
 |
|
Ohjeita pienoisjunien käyttöön ja rakentamiseen raideleveys H0 FI |
 |
|
Gleispläne Spur H0 DE Märklin 763 |
 |
|
Gleispläne Spur H0 DE / EN / FR Märklin 0320 |
 |
|
Einfache Gleisanlagen Spur H0 DE / EN / FR / ES / IT / SV / DA / NL Märklin 0321 |
 |
|
Gleispläne C-Gleis DE / EN / FR / NL Märklin 602 653 |
 |
|
Model Signals - Illustrated Handbook EN Märklin 0341 |
 |
|
Track Layouts Gauge H0 for M-Tracks 5100/5200 EN Märklin 0351 |
 |
|
Signalbuch für Signale 7000/7100 DE Märklin 0340 |
 |
| Muilla kielillä |
| EN |
|
Signal Manual EN Märklin 0361 |
 |
|
DELTA-multi-train operation DE / EN / FR / NL / ES / IT / SV / DA |
 |
|
Einstieg in Märklin Digital – die Mehrzugsteuerung DE Märklin 0308 |
 |
|
Märklin Systems: A New Era – The Märklin Systems Handbook NL |
 |
|
Märklin motor types IT |
 |
| Italiankielinen käännös saksalaisesta dokumentista, alkuperäisenä kirjoittajana Jürgen Köhler |
|
Märklin Innovation: Softdrive Sine Propulsion Concept EN |
 |
|
From Commutator Motors to Softdrive Sine – Digitizing Analog Locomotives – Märklin Motor Technology NL |
 |
|
Motor Conversion DE |
 |
|
mLD, mSD – DCC CV-Liste DE |
 |
|
0735 Service Handbook NL Märklin 0735 |
 |
|
0734 Service Handbook – Diagnostics NL Märklin 0734 |
 |
|
New Märklin Color Light Signals NL |
 |
|
Lehdet ja artikkelit
|
|
|
3000 BR89 valaistus (ES?)
|
|
|
Das Gleisplanbuch Für H0-Anlagen ab 3m Länge
|
Entrance into Märklin Digital (EN)
|
Marklin Insider 2009-05 (DE)
|
Michael Stein - Die digitale Modellbahn
|
Faller
|
|
Faller 1962-63 preislist (FI) Markka
|
MIBA
|
|
|
|
Miba Spezial 66 - 2005/11 (DE)
|
|
|
|
|
|
Märklin Magazin
Märklin Magazin 1994 03 (DE)
|
Märklin Magazin 2005 03 (EN)
|
Märklin Magazin 2005 06 (EN)
|
Metallbaukasten
M611 Märklin Modelle Sonderliste 1937 (DE)
|
71z Erweiterüngsbüch (DE)
|
|
|
|
75 - Elektro-Motoren und Elektrische Uhren (DE)
|
76 Transportanlagen - Maschinen Und Brückenbau (DE)
|
1080+1081 Grundkasten m 100 + Ergänzungskasten E 60 (DE)
|
1085 Lastkraftwagen, Themenkasten (DE)
|
10852 Lastwagen Mit Ladekran - Themenkasten (DE)
|
|
|
|
|
|
|
|
|
|
|
|
|
10852 Themenkasten Lastwagen mit Ladekran (DE)
|
64408 Mississippi-Dampfer
|
|